写在前面:
因为阀门是个特殊的产品,需要了解到您的具体需求,如公称通径、材质、介质等方面的信息,才能提供准确的报价,所以烦请电话或者微信联系工作人员具体询问价格,谢谢您的理解与支持!
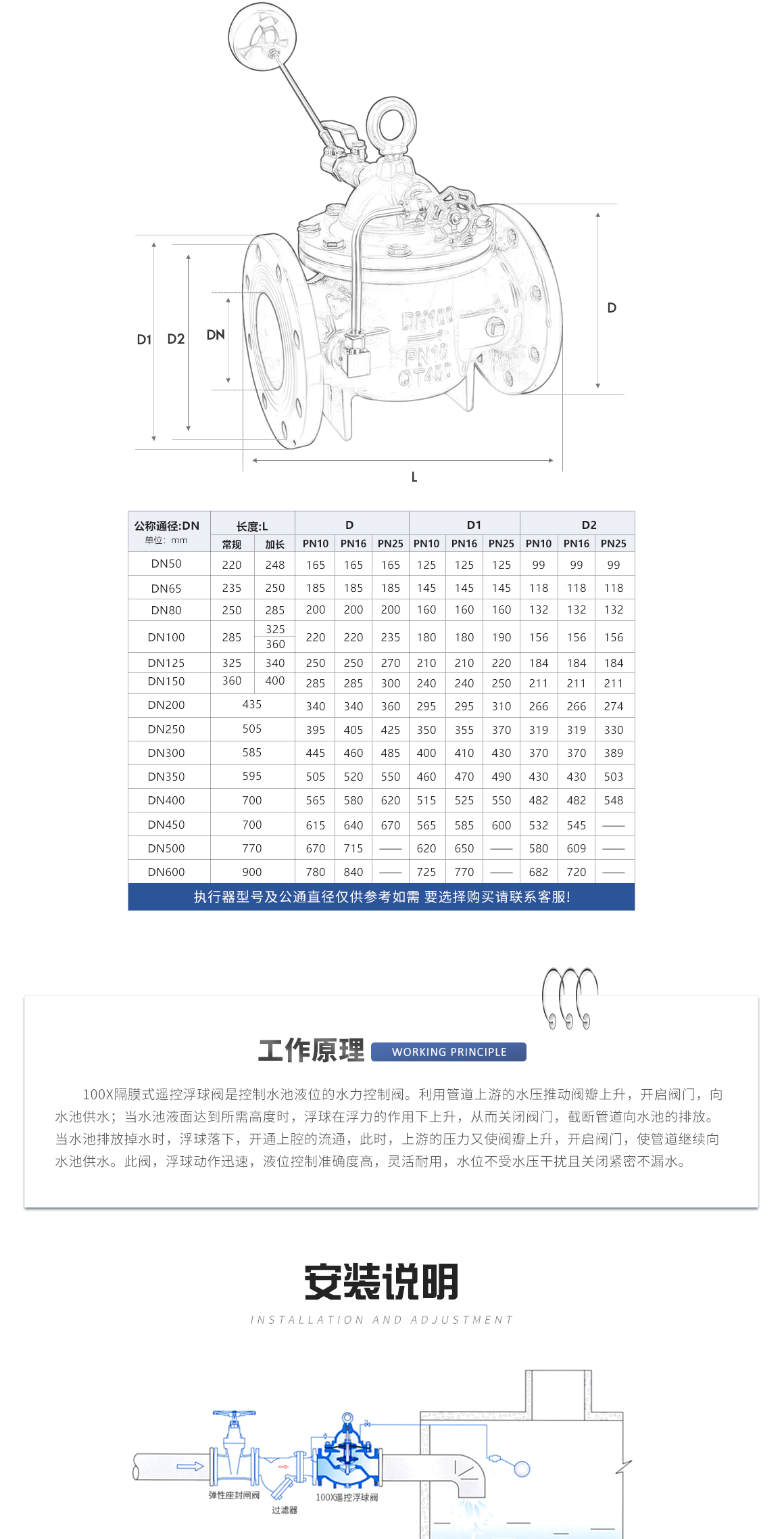
100X遥控浮球阀产品介绍:
100X遥控浮球阀通过旋转阀芯使阀门畅通或关闭,能有效的控制水塔或水箱液面,适合时切断或打开阀芯以便输入水流或阻止水流外泄,液位控制准确,水位不受压力波动干扰,开闭紧密不漏水,浮球灵活,维护保养简单。球阀开关轻便,体积小,可以做成很大口径,密封可靠,结构简单,维修方便,密封面与球面常在闭合状态,不易被介质冲蚀,广泛用于高层建筑、生活区等供水管网系统的水塔、水池等设施的液面控制。
100X遥控浮球阀可在水池安装的任意位置及使用空间任意安装、维护、调试、检查方便、密封可靠,使用寿命长。100X遥控浮球阀隔膜式性能可靠、强度高、动作灵活,适用于450口径以下的管道,DN500mm以上的建议使用活塞式。
100X遥控浮球阀适用范围:
100X遥控浮球阀液位控制准确,水位不受压力波动干扰,开闭紧密不漏水,浮球灵活,维护保养简单,适用于高层建筑中的商用电热开水器、热泵、空调冷却塔、储水塔、储水箱、水池等的自动供水系统。
100X遥控浮球阀特点:
100X遥控浮球阀在管路中主要用来做切断、分配和改变介质的流动方向,是近年来被广泛使用的一种新型阀门,它具有以下特点:
1. 启闭无摩擦的特点解决了传统阀门因密封面之间相互摩擦产生的密封问题;
2.上装式结构方便对装在管道上的阀门进行检查与维修,有效减少装置停车,降低成本;
3.单阀座设计消除了阀门中腔介质因异常升压而影响使用安全的问题。
4.低扭矩设计。特殊结构设计的阀杆,只需配一个小手把阀门就能轻松启闭。
5.楔形密封结构。阀门是靠阀杆提供的机械力,将球楔压到阀座上而密封,使阀门的密封性不受管线压差变化的影响,在各种工况下密封性能都有可靠保证。
6. 密封面的自清洁结构。当球体倾离阀座时,管线中的流体沿球体密封面成360°均匀通过,不仅消除了高速流体对阀座局部的冲刷,也冲走了密封面上的聚积物,达到自清洁的目的。
100X遥控浮球阀工作原理:
遥控式浮球阀由一个主阀及其附设的导管﹑导阀﹑针阀﹑球阀和压力表等组成。当管道从进水端供水时,因针阀、球阀、浮球阀是常开的,水通过微型过滤器、针阀、控制室、球阀、浮球阀进入水池,此时控制室不形成压力,主阀开启,水塔(池)供水。当水塔(池)的水面上升至设定高度时,浮球浮起关闭遥控浮球阀,控制室内水压升高,推动主阀关闭,供水停止。当水面下降时,遥控浮球阀重新开启,控制室水压下降,主阀再次开启继续供水,保持液面的设定高度。
100X遥控浮球阀内部结构图及主要零件材料:

| 零件名称 | 零件材料 | 
| 阀体阀盖 | WCB | 
| 阀座阀盘 | 铜合金 | 
| 密封圈 O型圈 | 丁腈橡胶 | 
| 阀杆 | 2Cr13 | 
| 弹簧 | 50CrVA | 
| 针型阀 | 铜合金 | 
| 球阀 | 铜合金 | 
| 浮球阀 | 铜合金 | 
| 微型过滤器 | 不锈钢 | 
100X遥控浮球阀安装示意图:

100X遥控浮球阀主要连接尺寸
| DN | L | A | A1 | H | H1 | F | D | D1 | D2 | n-Φd | ||||||||
| mm | mm | mm | mm | mm | mm | PN1.0 | PN1.6 | PN2.5 | PN1.0 | PN1.6 | PN2.5 | PN1.0 | PN1.6 | PN2.5 | PN1.0 | PN1.6 | PN2.5 | |
| 50 | 240 | 280 | 139 | 265 | 210 | 170 | 165 | 165 | 165 | 125 | 125 | 125 | 102 | 102 | 99 | 4-17.5 | 4-17.5 | 4-18 | 
| 65 | 250 | 284 | 141 | 310 | 215 | 180 | 185 | 185 | 185 | 145 | 145 | 145 | 122 | 122 | 118 | 4-17.5 | 4-17.5 | 8-18 | 
| 80 | 285 | 292 | 145 | 350 | 245 | 210 | 200 | 200 | 200 | 160 | 160 | 160 | 133 | 133 | 132 | 8-17.5 | 8-17.5 | 8-18 | 
| 100 | 360 | 330 | 164 | 460 | 305 | 275 | 220 | 220 | 235 | 180 | 180 | 190 | 158 | 158 | 156 | 8-17.5 | 8-17.5 | 8-22 | 
| 125 | 400 | 340 | 169 | 520 | 365 | 310 | 250 | 250 | 270 | 210 | 210 | 220 | 184 | 184 | 184 | 8-17.5 | 8-17.5 | 8-26 | 
| 150 | 455 | 350 | 174 | 570 | 415 | 355 | 285 | 285 | 300 | 240 | 240 | 250 | 212 | 212 | 211 | 8-22 | 8-22 | 8-26 | 
| 200 | 585 | 392 | 195 | 695 | 510 | 460 | 340 | 340 | 360 | 295 | 295 | 310 | 268 | 268 | 274 | 8-22 | 12-22 | 12-26 | 
| 250 | 650 | 442 | 220 | 780 | 560 | 500 | 395 | 405 | 425 | 350 | 355 | 370 | 320 | 320 | 330 | 12-22 | 12-26 | 12-30 | 
| 300 | 800 | 472 | 235 | 905 | 658 | 580 | 445 | 460 | 485 | 400 | 410 | 430 | 370 | 370 | 389 | 12-22 | 12-26 | 16-30 | 
| 350 | 860 | 532 | 265 | 1025 | 696 | 640 | 505 | 520 | 555 | 460 | 470 | 490 | 430 | 430 | 448 | 16-22 | 16-26 | 16-33 | 
| 400 | 960 | 582 | 290 | 1080 | 735 | 715 | 565 | 580 | 620 | 515 | 525 | 550 | 482 | 482 | 503 | 16-26 | 16-30 | 16-36 | 
| 450 | 1075 | 632 | 320 | 1030 | 610 | 780 | 615 | 640 | 670 | 565 | 585 | 600 | 532 | 550 | 548 | 20-26 | 20-30 | 20-36 | 
| 500 | 1075 | 682 | 350 | 1135 | 665 | 830 | 670 | 715 | 730 | 620 | 650 | 660 | 585 | 585 | 609 | 20-26 | 20-33 | 20-36 | 
| 600 | 1230 | 762 | 390 | 1270 | 725 | 920 | 780 | 840 | 845 | 725 | 770 | 770 | 685 | 685 | 720 | 20-30 | 20-36 | 20-39 | 























